Clip Connector CCS-125-FRC
€ 256,67 Excl.
Beschikbaar via nabestelling
Beschrijving
Product Overview
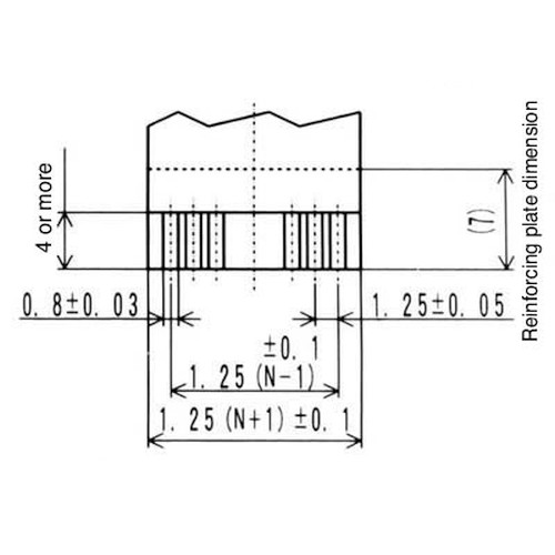
- Guides are provided for each number of pins for use with any number of pins (within the range supported).
- Underside guides are also provided for use with reversible flexible printed circuits.
- A long 0.5 mm stopper can be specified as standard for flexible printed circuits with a coverlay on the front edge.
Items included in this product set
- FRC connector-fitted clip connector main body, width 19mm
- Guide set (for 3–10 pin number)
- Flex(FPC) cable holding board set (for the back and front surfaces)
- Guide and Flex(FPC) cable holding board lockscrew x 3 pcs.
- Main body fixing screws, 10 mm x 2 pcs. and 15 mm x 2 pcs.
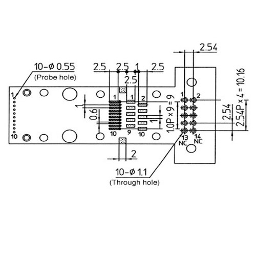
- Note that the FRC connector used in this product is the HIF3BD-10PA-2.54DS, a 10-pin connector made by Hirose Electric (or equivalent).
Clip connectors
Clip connectors are Ideal for testing and connecting flexible cables. DFT – MG-Products supplies next to the standard versions, on request also special versions with customized pin settings, guide modules and smaller pitches are available.
These Clip Connectors are ideal for testing, evaluation and inspection of the printed circuit boards, modules or other units that have a connection using a flexible FPC/FFC unit. The clip concept makes a quick and easy connection possible without damaging the contact area.
- This Clip connector is typically connected to the wiring terminal of an FPC/FFC to permit inspections of the UUT (Unit Under Test) or other device.
- It is facilitating an easy, fast and reliable attachment to and removal from the FPC/FFC.
- The product uses a spring probe to connect to the contact area of the FPC/FFC for a reliable connection in time.
- These probes are easily replaced in case of problems. Probe sets for repair use can be ordered through Romex BV
- The video shows you how the clip connector can be used.
Other area’s of use are;
- Functional testing of video camera’s camera unit, motor unit, etc.
- Functional testing of HDD, CD, DVD, etc.’s pickup unit, motor unit, etc.
- Functional testing of CD, DVD, etc.’s pickup unit, motor unit, etc.
- Action check for LCD modules.
- Evaluation and inspection for membrane switches or touch panels.
- Inspection via FPC/FFC connection tip for cameras, AV devices, many variation of pickups, motors, electronics devices, parts, and more.










Beoordelingen
Er zijn nog geen beoordelingen.